![]() |
Внимание! При установки кабелей во избежание помех убедитесь, что есть достаточное пространство между сигнальными кабелями и кабелями питания Если ожидаются помехи от кабелей питания используйте экранированный и/или витой кабель. Экран должен быть заземлен. Рекомендуется 8-и жильный кабель с сетчатым экраном, сечением 0,25 0,5 мм2. |
Если есть возможность перегрузки, установите устройства защиты от перегрузки.
4-провод. подключение |
|
|
A01 настенная версия Напряжение выхода (4-провод.): от 0 до 1 В / от 0 до 5 В / от 0 до 10 В |
![]() |
|
A02 версия для воздуховодов Напряжение выхода (4-провод.): от 0 до 1 В / от 0 до 5 В / от 0 до 10 В |
![]() |
2-провод. подключение |
|
|
Верс. для воздуховодов A02 и настенная верс. A03 с подключаемым зондом Выход по току (2-провод.): от 4 до 20 мА, макс. нагрузка 500 Ω |
![]() |
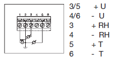
3-проводная технология подключения |
|
|
A01 Настенная версия Подключение 2 каналов (температура) и источника тока. |
![]() |
|
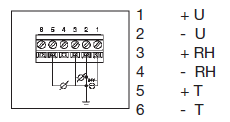
A02 Версия для воздуховода Подключение 2 каналов (температура) и источника тока. |
![]() |
Публикации
|
||||||||||||||||||||||||||||||||
|
15 авг |
Мобильный принтер для логгеров testo поступил в продажу
|
|---|
|
15 июн |
Тэсто Рус на конференции ФАРМА И БИОТЕХ 2016
|
|---|
|
11 апр |
Контроль климатических параметров в серверных и ЦОД
|
|---|

![]() |
15.09.16 | Приглашаем Вас на выставку Агропродмаш-2016 10-14 октября 2016 года ЦВК «Экспоцентр», Москва |
![]() |
15.09.16 | Тэсто Рус вновь выступит спонсором GEP-Russia 2016 ООО «Тэсто Рус» во второй раз выступит спонсором конференции GEP-Russia 2016, которая пройдёт 27 и 28 сентября в Москве, в отеле Radisson Blu. |
![]() |
24.06.16 | Подразделение Testo AG Software Solutions Berlin Высокотехнологичная компания из Шварцвальда открывает подразделение по разработке программного обеспечения в Берлине |
|
28 сен |
Добиться строгого соблюдения стандарта GMP — задача на перспективу
|
|---|
|
10 июн |
Владислав Шестаков о масштабах проверок и их результатах
|
|---|
|
10 июн |
Захар Голант об основных тенденциях в развитии отрасли и недостатках, которые предстоит устранять
|
|---|
|
26 сен |
Инспекторы ЕАЭС готовы взаимно признавать GMP сертификаты до запуска единого рынка
|
|---|
|
22 сен |
I Всероссийская GMP-конференция будет способствовать созданию мощной фарминдустрии
|
|---|