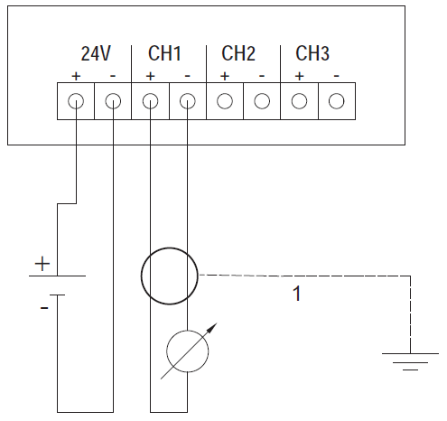
Схема подключения testo 6351

 

Публикации rss

15

авг

Мобильный принтер для логгеров testo поступил в продажу
Уважаемые пользователи, Мы рады сообщить Вам, что для заказа доступен принтер testo для логгеров данных testo 184 (также совместим с логгерами данных testo 175 и testo 176).

 

15

июн

Тэсто Рус на конференции ФАРМА И БИОТЕХ 2016
31 мая 2016 года в Москве прошел 5-ий международный форум для специалистов здравоохранения и ветеринарии по вопросам развития сектора термолабильных препаратов и изделий в России «ФАРМА И БИОТЕХ 2016: ХРАНЕНИЕ ТЕРМОЛАБИЛЬНЫХ ПРЕПАРАТОВ - ТРИ УРОВНЯ РЕГУЛИРОВАНИЯ»

 

11

апр

Контроль климатических параметров в серверных и ЦОД
На сегодняшний день программная автоматизация зачастую охватывает широчайший спектр бизнес процессов предприятий. Помимо стандартных систем управления ресурсами (ERP), сюда все чаще включатся автоматизированные системы различного назначения, базы данных с внутренней документацией и прочие решения, от работоспособности которых напрямую зависит производительность предприятия.

 
 

Новости rss

15.09.16 | Приглашаем Вас на выставку Агропродмаш-2016
10-14 октября 2016 года ЦВК «Экспоцентр», Москва
 
15.09.16 | Тэсто Рус вновь выступит спонсором GEP-Russia 2016
ООО «Тэсто Рус» во второй раз выступит спонсором конференции GEP-Russia 2016, которая пройдёт 27 и 28 сентября в Москве, в отеле Radisson Blu.
 
24.06.16 | Подразделение Testo AG Software Solutions Berlin
Высокотехнологичная компания из Шварцвальда открывает подразделение по разработке программного обеспечения в Берлине
 
 

Мнения Экспертов

Новости партнёров

26

сен

Инспекторы ЕАЭС готовы взаимно признавать GMP сертификаты до запуска единого рынка
21 сентября в рамках I Всероссийской GMP конференции прошла закрытая рабочая встреча представителей инспектирующих органов стран участниц Евразийского экономического союза (ЕАЭС). Как рассказал «Фармвестнику» директор ФБУ «Государственный институт лекарственных средств и надлежащих практик» (ГИЛС и НП)Владислав Шестаков, на мероприятии инспекторы обсуждали актуальные вопросы, делились опытом и приняли несколько важных решений.

 

22

сен

I Всероссийская GMP-конференция будет способствовать созданию мощной фарминдустрии
20 сентября в Ярославле началась I Всероссийская GMP-конференция. Участие в ее открытии приняли заместитель министра промышленности и торговли Российской Федерации Сергей Цыби врио губернатора Дмитрий Миронов, информирует пресс-служба Правительства Ярославской области.